Mot tri CLEAN-GEARTECH type SPM 0.37 kW 6p 80A-6/B5 0,37Kw
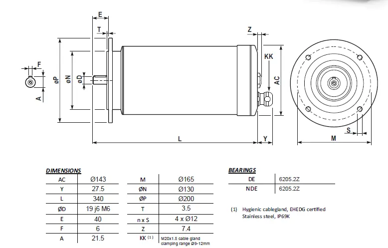
Carcasse Inox taille 80
1000 tr - tri 230/400 V - 60 Hz
IC 410 - S1 - IP 69k - cl F - IE4
B5 standard bride TL 165/130/200 (arbre :Ø19, long 40)
Fabrication Italienne
Carcasse et flasque en INOX 316
Joint protégé par une bague Inox
Conditions générales
Faire un demande de prix
Livraison sous deux à trois jours.







